Статус производства | Производится |
Производитель | Osram |
Тип лампы | Ртутная (ДРЛ) |
Номинальная мощность, Вт | 100 |
Рабочее напряжение, В | 20.5 |
Рабочий ток, А | DC 5.0 |
Световой поток, лм | 2200 |
Сила света, Кд | 260 |
Ресурс, ч | 200 |
Рабочее положение | s90 |
Цоколь, анод (+) | SFa9-2 |
Цоколь, катод (-) | SFa7.5-2 |
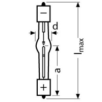
Длина общая максимальная, мм (Lmax) | 90 |
Диаметр, мм (D) | 10 |
Межцентровое расстояние LCL, мм | 43 |
Страна производства | Чехия |
Вес лампы, гр | 94 |
OSRAM HBO 100W/2
Лампа ртутная газоразрядная
ПРЕДУПРЕЖДЕНИЕ!
Риск поражения электротоком
* Отключите электропитание прибора перед установкой, удалением или проверкой лампы
Пожароопасно
* Не допускайте касания легковоспламеняемых материалов с нагретой лампой
Лампа находится под
давлением и может неожиданно лопнуть, что может вызвать ранения, возгорания или повреждения устройств!
* При обращении с лампой используйте защитные очки
* Не касайтесь лампы голыми руками. Используйте перчатки
* Используйте лампу только в приборах, для которых она предназначена (указано в спецификации прибора)
* Не используйте лампу если стеклянная колба имеет царапины или трещины
* Используйте лампу только в положении, которое указанно как рабочее
ОСТОРОЖНО!
Опасность возгорания и получения ожогов
* Дайте лампе (прибору) остыть, прежде чем проводить операции с ней
* Отключите электропитание прибора перед установкой лампы
В связи с тем, что лампа испускает UV-излучение и работает под давлением, эта лампа должна применяться только в полностью закрытых приборах.
Должны быть применены соответствующие фильтры, защищающие от UV-излучения




